UC203D1軸承
NSK UC203D1軸承
發布時間:2021-11-25 11:21:46
| 所屬品牌 (Brand) |
NSK軸承,日本第一軸承品牌。NSK的主要產品是軸承, 它是所有機器的基礎;是現代社會中不可缺少的產品; 素有"機械產業的糧食"之美稱。 |
|
| 軸承類型 (Series) |
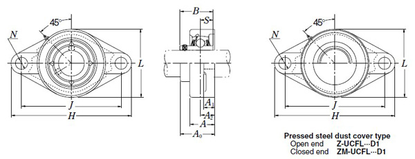
軸承座 | |
| 軸承型號 (Bearing NO) |
軸承型號 | UC203D1 |
| 軸承單元 | ZM-UCFL203D1 | |
| 軸承座 | FL204D1 | |
| 基本尺寸 (Basic size) |
軸徑 | 17 |
| L | 60 | |
| H | 113 | |
| J | 90 | |
| A | 25.5 | |
| N | 12 | |
| 其他尺寸 (Other size) |
A2 | 15 |
| A1 | 11 | |
| A0 | 33.3 | |
| B | 31 | |
| L1 | 67 | |
| L2 | 30 | |
| 其他參數 (Other parameters) |
S | 12.7 |
| A4 | 38 | |
| A5 | 46 | |
| t | 2 | |
| 螺孔 | M10 | |
| 重量 (Mass) |
0.5 | |
| 詳細信息 (Detail) |
UC203D1軸承,UCFL軸承座單元 | |
我公司專業銷售NSK UC203D1,能為客戶提供樣本圖紙,軸承UC203D1類型為軸承座,需要UC203D1軸承內外圈、內外徑、厚度結構、重量、價格等資料請聯系銷售人員!咨詢電話:15335271700 我們為您推薦以下現貨庫存: UC203-011D1軸承 UC202-010D1軸承 NJ306ET+HJ306E軸承、NSK NA5924、NSK NA59/32、NSK軸承6805NR、NA5902軸承、NSK 6903DDU、NSK HR130KBE2303+L、NSK軸承6901DD、RNA49/28軸承、NSK 6908 等。


