SG511軸承
NSK SG511軸承
發布時間:2021-11-25 12:25:39
- 基本參數
- 型號
- SG 511
- 系列
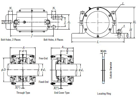
- 標準型立式帶座軸承箱3
- 外形尺寸
- d1軸徑
- 50
- Through Type貫通式
- SG 511
- End Cover Type 軸端式
- SG 511-0
- D H8 軸承外徑
- 100
- H h13中心高
- 70
- J 孔距
- 210
- N 孔寬度
- 18
- N1 孔長度
- 23
- A 座寬度
- 125
- L 總長度
- 255
- A1座寬度
- 70
- H1 底座高度
- 23
- H2 總高度
- 137
- J1 寬孔距
- —
- A2軸端式寬度
- 112.5
- g
- 29
- t
- M 12
- s底座螺栓
- M 16
- Mass(kg) 重量
- 8.5 7.5
- Applicable Parts適用部件
- Numbers型號
- 22211 EAKE4
- Cr (N額定動載荷)
- 119 000
- Numbers型號
- H311X
- 規格(外圈x寬)
- SR 100×4
- Q'ty個數
- 1
- OilSeals (3) 油封
- GS 11
我公司與NSK公司有多年密切合作關系,所銷售的NSK SG511標準型立式帶座軸承箱保證100%進口原裝,價格最優。訂購原裝NSK SG511軸承請撥打咨詢電話:15335271700 我們為您推薦以下現貨庫存: SG512軸承 SG540-0軸承 22207H軸承、NSK 61800、NSK HR32010XJ、NSK軸承FWJ-182417、RS-5019軸承、NSK NA4917、NSK N307、NSK軸承23096CAK+H3096、6208-2Z軸承、NSK 6001ZZ 等。


