NUP1092軸承
NSK NUP1092軸承
發布時間:2021-11-25 12:27:27
- 基本參數
- 型號
- NUP1092
- 系列
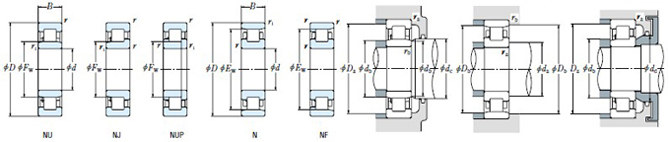
- 圓柱滾子軸承1
- 外形尺寸
- d
- 460
- D
- 680
- B
- 100
- r 小倒角
- 6
- r1 大倒角
- 6
- Fw
- 516
- Ew
- 624
- 額定載荷
- Cr額定動載荷
- 1 580 000
- C0r額定靜載荷
- 2 740 000
- 極限轉速
- Grease脂潤滑
- 750
- Oil油潤滑
- 950
- 軸承代號
- NU1092
- NU
- NU
- NJ
- —
- NUP
- NUP
- N
- N
- NF
- —
- 安裝尺寸
- da(4)
- 486
- db
- 486
- db(5)
- 511
- dc
- 521
- dd
- —
- Da(4)
- 654
- Db
- 654
- Db
- 628.5
- ra
- 5
- rb
- 5
- Mass重量(kg)
- approx參考
- 123


