80TMP93軸承
NSK 80TMP93軸承
發布時間:2021-11-25 11:40:30
| 所屬品牌 (Brand) |
NSK軸承,日本第一軸承品牌。它是所有機器的基礎; 是現代社會中不可缺少的產品;素有"機械產業的糧食"之美稱。 |
|
| 軸承類型 (Series) |
圓柱滾子軸承 | |
| 軸承型號 (Bearing NO) |
軸承型號 | 80TMP93 |
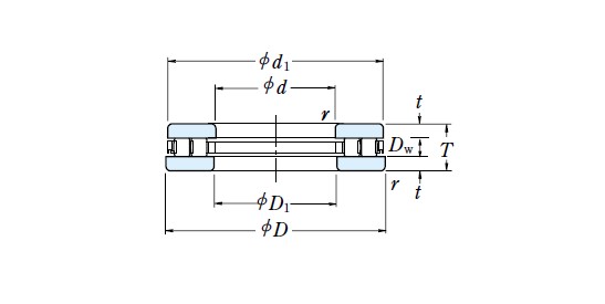
| 基本尺寸 (Basic size) |
內徑 | 80 |
| 外徑 | 140 | |
| 厚度 | 36 | |
| r | 1.5 | |
| 其他尺寸 (Other size) |
d1 | 138 |
| D1 | 82 | |
| Dw | 14 | |
| t | 11 | |
| a | 2.54 | |
| 額定負載(N) (Rated loading) |
動態載荷 | 208000 |
| 靜態載荷 | 740000 | |
| 限制轉速 (Limiting Speeds(rpm)) |
油潤滑 (oil) |
2000 |
| 參考轉速 (Reference speeds) |
脂潤滑 (grease) |
710 |
詳細信息 |
80TMP93軸承,推力圓柱滾子軸承 | |
我公司與NSK公司有多年密切合作關系,所銷售的NSK 80TMP93圓柱滾子軸承保證100%進口原裝,價格最優。訂購原裝NSK 80TMP93軸承請撥打咨詢電話:15335271700 我們為您推薦以下現貨庫存: 85BTR10H軸承 85BAR10H軸承 NJ220+HJ220軸承、NSK 220KBE30+L、NSK UC217-304D1、NSK軸承F692X、170KBE031+L軸承、NSK 53334XU、NSK F697ZZ1、NSK軸承NUP205ET、T4CB120軸承、NSK 6021-2RZ 等。


