330RV4601軸承
NSK 330RV4601軸承
發布時間:2021-11-25 11:33:44
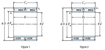
- 基本參數
- 型號
- 330 RV 4601
- 系列
- 四列圓錐滾子軸承2
- 外形尺寸
- d
- 330
- D
- 460
- B,B2
- 340
- C2
- 340
- Fw
- 365
- r1 min
- 4
- r2 min
- 4
- 額定載荷
- Cr額定動載荷(N)
- 3 050 000
- C0r額定靜載荷(N)
- 8 650 000
- Cr額定動載荷(kg)
- 310 000
- C0r額定靜載荷(kg)
- 880 000
- 軸承代號
- 代號
- 330 RV 4601
- Mass重量(kg)
- approx參考
- 174
- Figures圖列號碼
- 1
- 參考型號
- —
我公司專業銷售NSK 330RV4601,能為客戶提供樣本圖紙,軸承330RV4601類型為四列圓錐滾子軸承,需要330RV4601軸承內外圈、內外徑、厚度結構、重量、價格等資料請聯系銷售人員!咨詢電話:15335271700 我們為您推薦以下現貨庫存: 450RV6321軸承 370RV5401軸承 61912-2Z軸承、NSK 7014CTYNDBLP4、NSK 6207DU、NSK軸承6200T1XZZ、609Z軸承、NSK 29414E、NSK 71912CDT、NSK軸承52422X、7204B/DF軸承、NSK 6319-RZ 等。


