140TAC29D+L軸承
NSK 140TAC29D+L軸承
發布時間:2021-11-25 11:57:24
| 所屬品牌 (Brand) |
NSK軸承,日本第一軸承品牌。NSK的主要產品是軸承, 它是所有機器的基礎;是現代社會中不可缺少的產品; 素有"機械產業的糧食"之美稱。 |
|
| 軸承類型 (Series) |
角接觸球軸承 | |
| 軸承型號 (Bearing NO) |
軸承型號 | 140TAC29D+L |
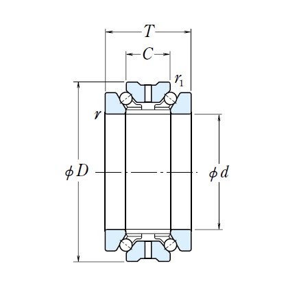
| 基本尺寸 (Basic size) |
內徑 | 140 |
| 外徑 | 190 | |
| 厚度(高度) | 60 | |
| C | 30 | |
| r | 1.5 | |
| r1 | 1 | |
| 額定負載(KN) (Rated loading) |
動態載荷 | 91500 |
| 靜態載荷 | 365000 | |
| 限制轉速 (Limiting Speeds(rpm)) |
油潤滑 (oil) |
3100 |
| 參考轉速 (Reference speeds(rpm)) |
脂潤滑 (grease) |
2800 |
| 重量 (Mass) |
4.2 | |
| 詳細信息 (Detail) |
140TAC29D+L軸承,推力角接觸球軸承 | |
我司和NSK廠家常年批量訂購140TAC29D+L角接觸球軸承,以保證140TAC29D+L軸承質量正宗,價格實惠。訂購原裝NSK軸承請撥打咨詢電話:15335271700 我們為您推薦以下現貨庫存: 140TMP12軸承 1312K軸承 7215A5軸承、NSK 22207CE4、NSK 61822-2RZ、NSK軸承7240C、51336X軸承、NSK NN3022K、NSK H3264、NSK軸承7303CDF、7016CTYNSULP4軸承、NSK 6220-RS 等。


